
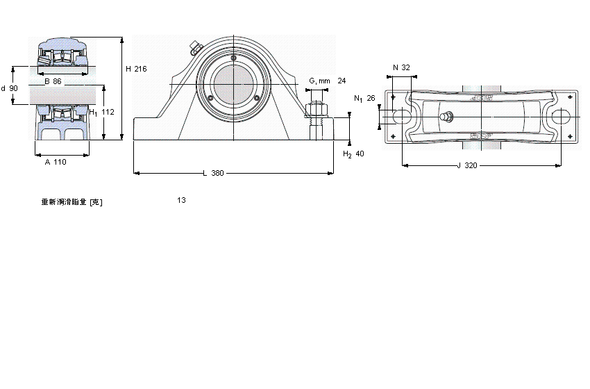
軸承型號:SYNT90F
| 滾子軸承立式軸承座單元, SKF ConCentra, locating units, general conditions (double-lip seals) | ||||||||||||
|
|
||||||||||||
| 尺寸 | 尺寸 [英寸] | 疲勞負荷限值 | 限制速度 | 體積 | 型號 | 軸承,基本型號 | ||||||
| 動態(tài) | 靜態(tài) | |||||||||||
| da | A | H | H1 | L | C | C0 | Pu | |||||
|
|
||||||||||||
| mm | kN | kN | r/min | kg | - | - | ||||||
|
|
||||||||||||
| 90 | 110 | 216 | 112 | 380 | 325 | 375 | 39 | 2100 | 21 | SYNT 90 F | 22218 E | |